新06G306管沟及盖板图集是新疆维吾尔自治区地方标准图集之一,该图集一般被简称为新06g306或是06g306图集。本节内容小编为大家整理带来的这份新06g306图集为pdf格式高清免费版,图集内容完整,共有36页,如果你需要一份新06g306图集免费下载文档的话,那么就赶紧点击本文相应的下载地址将这份06g306图集下载下来查阅使用吧!
温馨提示:
本文档为pdf格式,因此需确保在阅读之前你已经安装了PDF阅读器,如果尚未安装阅读器,建议下载福昕PDF阅读器或其他PDF阅读器,进行安装后阅读。
新06g306图集相关推荐
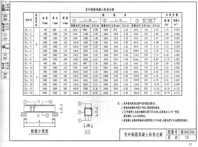
新06g306图集样张




- PC官方版
- 安卓官方手机版
- IOS官方手机版


















陕09j01建筑用料以及做法PDF电子版
19dx101-1建筑电气常用数据2019PDF版





10S505柔性接口给水管道支墩图集pdf格式高清
12K404地面辐射供暖系统施工安装图集pdf高清
建筑工程绿色施工规范GB/T 50905-2014pdf电
11BS4排水工程图集(建筑设备施工安装通用图
05SS904民用建筑工程设计常见问题分析及图示
GB50164-2011混凝土质量控制标准规范pdf格式
11SG102-3钢吊车梁系统设计图平面表示方法和